Hornet Outdoors Quick Adjust Receiver / Adapter Hitch


- Free Shipping Over $49.99
- 30-Day Best Price Guaranteed
- No-Hassle Returns View Details
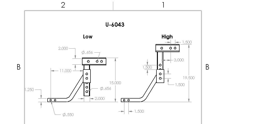
Hornet Outdoors Quick Adjust Receiver / Adapter Hitch Schematic
Hornet Outdoors Quick Adjust Receiver/Adapter Hitch
The Hornet Quick Adjust Hitch Receiver/Adapter enhances functionality by both extending and elevating the hitching point on 2" receivers. This extension aids in preserving access to truck beds and tailgates. The product features an adjustable height, ranging from 12" to 20", enabling users to fine-tune it based on factors such as tongue weight, trailer specifications, and varying terrain. Additionally, the design incorporates an angled lower section to maintain favorable departure angles over rugged landscapes.
Features:
- Mounts to 2" receiver
- Provides a 2" receiver for connecting trailer accessories
- Quick adjust rise from 12" to 20" above vehicle mount
- Angled bottom for improved ground clearance
- American-sourced steel
- Black powder coated finish
- See schematic for full specifications
| Product Style | Item # | Store SKU | Manufacturer Product # | Availability |
|---|---|---|---|---|
| Product Style Black | Item # 10109876 | Store SKU | Manufacturer Product # U-4043 | Availability Only 3 Left: Ships within 24 hours |